测试和故障排除电子项目电路需要万用表,所以新的爱好者可能感到有兴趣尝试以下自制万用表电路作为他们的下一个电子项目。
使用单一Opamp 741
下面将使用IC 741和其他一些无源元件讨论一些基于运算放大器的仪表电路,如欧姆表、电压表、电流表。
虽然万用表在今天的市场上是可用的,建造你自己的自制万用表可以是真正的乐趣。
此外,所涉及的属性对未来的电子电路建设和测试程序是非常有用的。
使用IC 741的直流电压表电路
         
        测量直流电压的简单配置如图所示,使用IC 741。
在IC的非反相引脚#3处,以分压器模式在输入端引入一对电阻器Rx和Ry。
待测电压施加在电阻器R1和接地之间。
通过对Rx和Ry的适当选择,可以改变仪表的量程,测量不同的电压。
使用IC 741的交流电压表电路
         
        如果你想测量交流电压,那么上面所示的电路可能会有用。
接线与上述接线类似,但是Rx和Ry的位置已发生变化,并且耦合电容器在IC的反相输入端进入现场。
有趣的是,这里的电表现在通过桥接网络连接,使电表能够正确显示相关的交流电势。
采用IC 741的直流电流表电路
另一个使用IC 741测量直流电或安培的电路如下图所示。
配置看起来相当简单。这里的输入应用电阻Rz,即通过IC的非反相输入引脚#3和地。
通过改变电阻器Rz的值,可以简单地改变仪表的范围。
         
        .
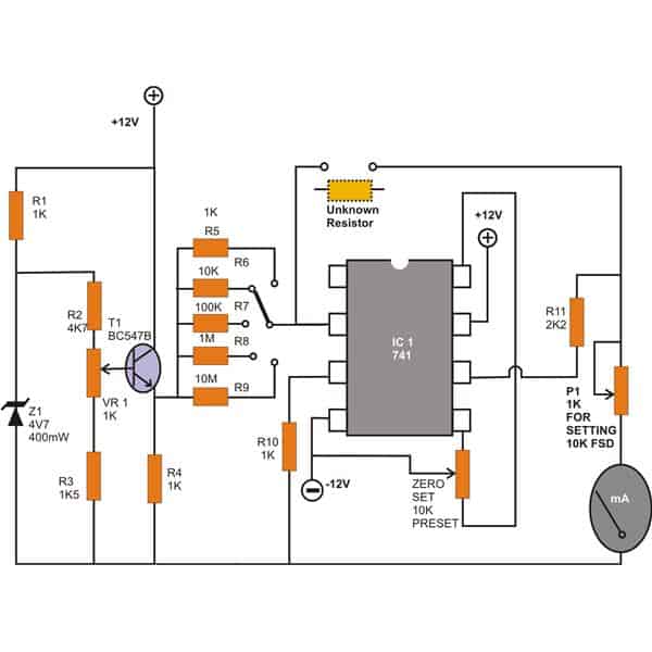
欧姆计电路使用IC 741
电阻是最重要的无源元件之一,它不可避免地成为每个电子电路中不可分割的一部分。
如果没有这些惊人的电流控制装置,电路实际上是不可能制造出来的。
由于涉及到这么多的电阻,可能的故障总是可能出现在卡片上。
识别它们需要一个仪表——欧姆表。下面显示了一个使用IC 741的简单设计。
         
        与大多数倾向于具有相当非线性行为的模拟设计不同,目前的设计非常有效地解决了这个问题,通过相应的测量产生完美的线性响应。
这个范围令人印象深刻,它可以测量从1K到10米的电阻值。
你可以继续修改电路,使之能够测量更极端的值。
量程是通过移动旋转开关开关到相关位置来选择的。
如何校准仪表电路
校准th仪器很简单,可通过以下几点完成:将选择开关调整到“10K”位置。
修剪晶体管的底座预设,直到其发射极电压正好显示1伏(使用数字万用表测量)。接下来,将一个准确已知的10k电阻固定到测量槽中。
调整与移动线圈仪表相关的微调器,直到仪表显示满刻度偏差。
以上讨论的所有电路都使用双电源电压。使用的仪表是一个移动线圈类型,指定为1mA FSD。
用于此homemede万用表的IC 741引脚1、4和5之间的预设用于将初始状态表精确调整为零。Rx和Ry的相关值以下是改变相应仪表范围所需的电阻器值。
直流电压表
处方 -------------------- 变化中 -------------------- 计女性性功能障碍
10米 ----------------- 1 k -------------------- 1 kv
10米 ----------------- 10 k ------------------- 100 v
10米 ----------------- 100 k ------------------ 10 v
900 k ---------------- 100 k ------------------ 1 v
零------------------100K------------------0.1V
直流电流表
Rz -------------------- 计女性性功能障碍
0.1 ------------------- 1
1 --------------------- 100毫安
10 ------------------- 10马
100年 ----------------- 马1
1 k ------------------- 100 ua
10 k ----------------- 10 ua
100 k --------------- 1 ua
交流电压表
变化中 --------------------- 处方 ------------------- 计女性性功能障碍
10 k ------------------- 10米 ---------------- 1 kv
100 k ----------------- 10米 ---------------- 100 v
1米 ------------------- 10米 ----------------- 10 v
1米 -------------------- 1米 ------------------ 1 v
1M------------------100K------------------100mV
1米 -------------------- 10 k ------------------ 10 mv
1米 -------------------- 1 k -------------------- 1 mv
来自这个博客的一个热心粉丝的请求:
嗨Swagatam
是否有可能设计一个小电路模块,它可以与万用表一起使用,以测量在观察电路的任何点上波动信号的最小/最大电压。
例如,我们可以在模块的最小位置切换一个拨动开关,测量(a)点的电压。万用表显示的电压就是信号的最低电压。
当拨动开关定位在MAX,并在点(A)再次测量电压时,仪表将显示信号的最高电压。
设计
         
        
          
你好,先生,我使用的是dt9205a万用表,万用表中的其他一切都正常工作,但当我设置交流量程限制750v交流时,它在连接任何东西之前就开始读取自己,达到120v交流探头没有连接到任何东西。
嗨,Abhishek,看起来你的仪表的选择开关接触松了,或者交流范围有问题……试着在选择开关的滚珠轴承里放一点油,看看是否有帮助。
亲爱的Sagatam,
如何在小电压下获得输出而不是1mA FSD,以便我可以使用Arduino切换刻度和显示结果,而不是模拟针?
谢谢,
汤姆
亲爱的汤姆,你可以通过用导线连接替换电流表,并在R2电阻器上连接一个适当计算的(V FSD)来实现这一点。这个电阻器值可以改变以匹配特定电压表的FSd。
非常感谢你的回答!对于这些问题我很抱歉:-(希望你能理解…顺便说一下…
1.保险丝应该放在哪里?
2.什么是双电压?
3.你的意思是交直流电压表中的Rx和Ry决定了最大值。范围?Rz表示电流表?
4.我能用你的电流表测试220v电源吗?
5.有没有办法增加电流表的最大量程?如何?
1.将其与需要测量的输入电源串联。
2.以下链接见第二张图:
//www.addme-blog.com/2012/01/how-to-make-hi-fi-100-watt-amplifier.html
3.是的,没错
4.不,它不是用来测量电流的
5.范围可以通过降低Rz的值来增加
美好的一天先生!
1.如果我想让电压表测量1V到1KV,我会使用刻度为1V到1KV的线圈表吗?
2.对于直流电压表如果我用Rx-10M, Ry-1K最大是1KV,对吧?最小电压是多少?(简称范围是多少?)
3.交直流电压表能装多少安培?
4.我能把交流电压表和直流电压表的保险丝接上吗?
5.150 e是什么?
6.我能用9V电池吗?
7.电流表的量程是多少?
8.安培计能装多少伏特?
美好的一天Eshkariel,
可以使用线圈式仪表
是的,很明显最小值是零。
当它被用于伏特时,安培是无关紧要的,没关系。
是的,为了安全起见,可以加保险丝。
150E=150欧姆
9V电池只需要两个电池就可以为集成电路产生双重电压。
电流表的量程取决于Rx, Rz。
伏特用作电流表时无关紧要。
你好,你能告诉我一个电路可以检测阻抗从0.01欧姆到10欧姆最大?
把reatenza开关的电阻部分从100欧姆的值最大到10欧姆?
我需要一个非常重要的项目,但我到处都找不到它!
谢谢
请谷歌“毫欧姆计电路”,你会得到很多电路的想法。
你好,我发现她的模式很有趣,我想问你一个问题:测量阻抗0欧姆到10欧姆在选择器R5 - R9电阻值我应该输入吗?谢谢你的帮助
你好,我不认为显示的设计将能够感知如此小的电阻值....没有想法。
是否可以将其与2 9伏电池一起使用?
我怎样才能最好地修改测量2欧姆到10欧姆?
tnx
是的,可以使用9v电池……在选择开关阵列中使用100欧姆电阻器检查2至10欧姆
-可以使用2* 9伏的电池吗?
-我想把它改成3欧姆到16欧姆,我应该改变什么,从r5-9开始?