该帖子解释了一个简单的避障机器人电路,没有微控制器,也没有使用特殊的电机驱动电路或集成电路。这个想法是法伊亚兹先生提出的
设计
基本上是a的形式移动车辆它能够探测并避开行进途中的潜在障碍,并适当地改变方向,这样它的运动就不会中断,很简单!
因此,操作是自动的,无需任何手动或人工干预。
提出了一个没有微控制器的避障机器人的想法,顾名思义,不使用微控制器,因此非常简单,适合任何新的爱好者。
在设计电路时,我意识到为了实现该原理,至少需要两个障碍物传感器模块,因为使用单个模块可能会导致电机不稳定移动,并且可能无助于车辆顺利转向或转向自由路径。
车辆马达的设置与遥控玩具车我在之前的一篇文章中讨论过。
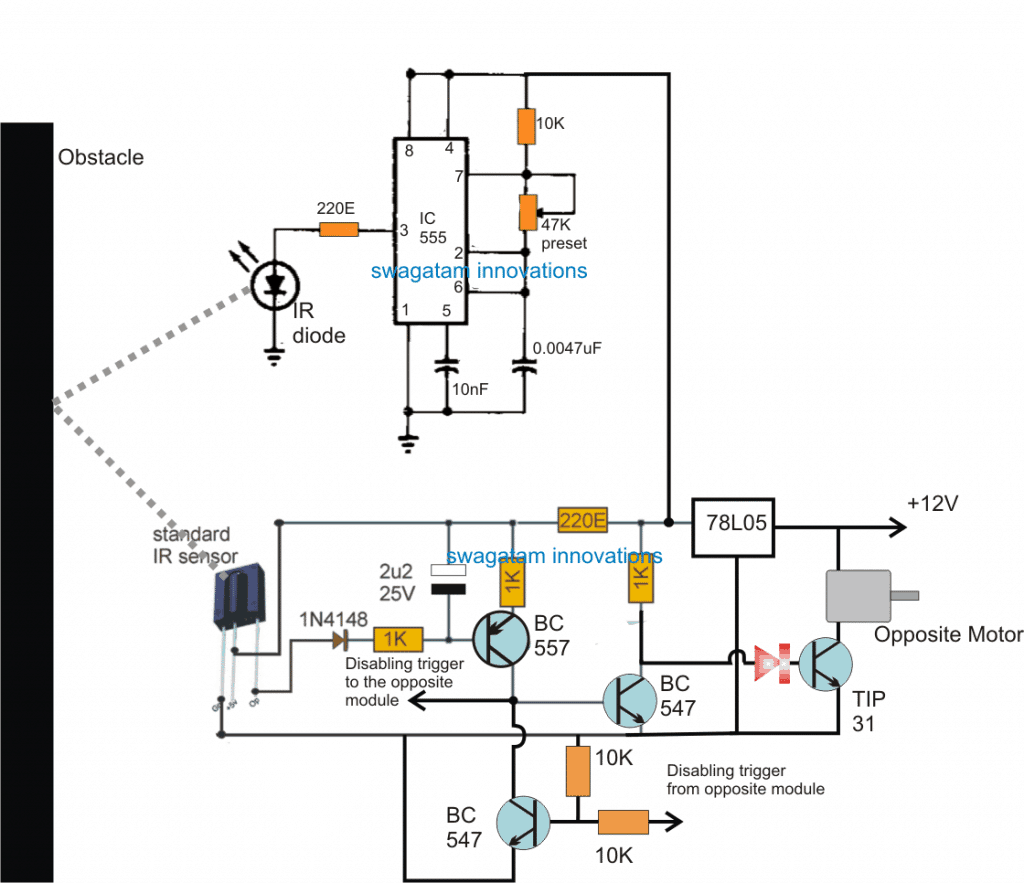
下面的图表代表了系统的一个模块,因此两个或一对这样的模块将需要横跨车辆的左右两侧。
这个想法很简单,不需要微控制器和特殊的电机驱动ic。这意味着你可以使它没有任何类型的编码,没有使用任何复杂的电机驱动IC.....该电路允许您使用任何直流电机,无论其功率,因此,即使是高功率的避障车辆也可以使用该电路,这通常在商场和类似的零售店使用。
线路图
下面我们来试着理解一下上面的电路:
它是如何工作的
IC 555配置为红外发射器,并设置为产生恒定的38kHz频率,而相邻的晶体管电路配置为接收级或红外传感器级。
让我们假设它是右侧模块,并且假设这个模块碰巧是第一个在路径中检测到障碍物的模块。
因此,一旦检测到障碍物,555 IC产生的38kHz频率就会反射到相邻接收电路的传感器上。
接收器立即激活相关的晶体管,使最终的驱动晶体管被抑制导电。
现在,由该晶体管控制的电机应该位于车辆左侧,即该模块的另一侧……同样,位于右侧的电机实际上由左侧模块控制。
因此,当上述假设的右侧障碍物检测模块启动时,它会停止左侧电机,而允许右侧电机正常运动。
这种情况导致车辆被迫进行左侧转向…这意味着现在假定的左侧模块开始获得更强烈的障碍信号,并不断迫使车辆在正在进行的转向中更加艰难地前进,直到完全避开障碍。模块现在停止接收障碍物信号,车辆开始在其新路径上正常前进。
当进行上述转向时,左侧模块被迫变得越来越孤立,远离障碍物,这样就不会有机会干扰程序,并允许车辆干净、平稳地转向。
如果左侧模块恰好检测到右侧模块前方的障碍物,则执行完全相同的程序,其中车辆被迫越来越艰难地向右侧移动。
我们还可以在模块中看到一个“禁用”电路级,该电路级通过左侧和右侧模块互连。本阶段旨在确保两个模块不会同时激活。
因此,例如,如果左侧模块成为第一个检测到障碍物,它立即禁用右侧模块,并启动右侧车辆的转向,反之亦然。
传感器集成电路可能是标准TSOP17XX系列
有关以上传感器IC的更多信息,您可以学习如何连接TSOP1738集成电路
电机应配备齿轮箱,以便运动最初保持在受控水平。
轮设置
左、右模块的完整设置及相应的电气连接如下图所示:
更新
稍微想一下,上面简单的避障机器人电路也可以用一个模块来实现,而不是两个模块。
但是,单个模块允许车辆在每次检测到障碍物时进行单侧转向,因此,系统可配置为顺时针转向或逆时针转向,具体取决于哪个电机与动作电路相连。
示例设置可以在下图中可视化:
然而,似乎有一个问题与上述单一马达设置。假设车辆在左侧遇到一个直角弯角。这将迫使车辆继续逆时针移动,直到它做了一个u型转弯,并开始向与开始时相同的方向移动。这不是用户会喜欢的东西。
你好,斯瓦加坦,
我们是否需要将红外二极管或红外传感器固定在某个角度?或者可能彼此很亲近?
谢谢提前
你好,Ritesh,是的,Tx/Rx led需要一些实验,直到达到最有效的反射角。
你好,斯瓦加坦,
我们需要一个配对的红外二极管和红外传感器或我们可以选择任何和作出组合?
Hi-Ritesh,不需要配对,但IC 555必须设置为产生38 kHz。
你好,斯瓦加坦,
谢谢你的回复。是的,这就是我的问题。电机一根线到TIP31集电极,第二根线到+12V?
集电极导线是电机的负极导线。
你好,斯瓦加坦,
通常电机有2线连接。我看不到电机的GND连接。你有实际的原理图吗?要理解哪里有电线有点困难。
谢谢
你好,Ritesh,电机是一个双线电机,TIP31发射极线实际上是电路的地线。我忘了显示这条线路的蓄电池负极连接。
你好Swogatam,
谢谢,马达有3根线。12V, GND和晶体管(TIP31)?
你好,斯瓦加坦,
你能推荐一些连接LM555的IR二极管吗?
Hi Ritesh,任何标准的光电二极管将为发射机二极管工作。
谢谢你swagatam,
我上网查一下。
你是接受私人的小项目还是签合同的。我有一些小项目。我将按任务付款。
谢谢你Ritesh,对不起,由于工作压力,我没有接受外部工作。
亲爱的Swagatam,
首先,好好工作,愿上帝保佑你。
你有使用微控制器的类似应用吗?
谢谢Ritesh,上帝也保佑你。
对不起,我现在没有Arduino版本,但是我想网上有其他的来源。
我不熟悉这些bts。这个示意图中所有这些的目的是什么?我想知道我是否可以使用mosfet。
为了根据IR信号切换电机,不能使用MOSFET
我的避障车不工作,我的电机和红外二极管工作正常,但它无法检测到障碍物
555红外二极管必须设置在38khz,否则电路将无法工作
先生,晶体管头31前面的这个红色符号是二极管还是led ?
在TIP31晶体管的基部的红色二极管是一个LED (red LED)
你好了。
我也不熟悉“2u2”25V组件的名称。这个装置是什么?
再次感谢您的宝贵时间。
瑞克
你好,瑞克,2u2指的是2.2uF。这是一个电解电容器
赃物,
谢谢你的快速回复,祝你有愉快的一天。
瑞克
不客气,瑞克!
你好,斯瓦加坦,
我喜欢阅读(并记录)您关于避障机器人的文章。我不熟悉离散元件的命名法" 220E "它是什么?我有其他的部分来构建这个项目,并期待着用它进行试验。
谢谢你抽出时间,
瑞克
谢谢你,瑞克,很高兴你喜欢这个帖子,220E指的是220欧姆的电阻。如果您还有任何疑问,请告诉我,我很乐意帮助您!
问候Swagatam -首先感谢你的网站,精彩的项目。
关于这个特殊电路的频率。频率方程为
1/f = T = t1+t2 = ln 2* (R1 + 2*R2) * C
因此,有R1 = 10,000欧姆,R2 = 47,000欧姆,C = 0.0047 uF = 4.7 nF = 4700 pF
频率为3.0 kHz。
将C调到470pf使频率为30khz。
要获得38 kHz的频率需要C = 370 pF或改变电阻,例如设置预设为约37000欧姆与470 pF电容。
当C = 4700 pF(根据上面的公式给出的频率为38 kHz)时,将电阻改变为R1 = 1000欧姆和R2 = 3500欧姆是否合理?
谢谢你抽出时间。
你好Renato,你可以调整电阻或电容或两者,这都没有关系,你无论如何都会成功地得到所需的结果,但是根据我的说法,使用的电容值最好是高于pf范围和低于1uF。我建议使用实用的确认而不是依赖公式。
先生,我可以用10万预设而不是47k预设吗?
是的,你可以
谢谢你先生
你能在前面(所有方向)使用2个直流轮和1个自由轮做电路吗?
您可以简单地修改给定布局中的控制盘配置,并将其转换为3个控制盘版本
我无法获得连接,因为当前正在试验板上测试图表。我们用陶瓷做电容器,对吗?我们的电源是9v,够了吗?电机正在运行,但传感器不工作。请允许我问一下,如果我们提供了一个试验板连接(实际图片),作为参考将是好的。谢谢你回复我的评论。
这个想法很简单,我已经在文章中解释过了,所以没有什么需要进一步解释的了。
电容器并不重要,陶瓷也可以工作。
确保发射机频率与TSOP设备(38kHz)兼容…或者您可以使用电视遥控器尝试操作。
要确认晶体管的工作情况,可以立即手动接地1N4148端....这应该停止电机的那一刻。这将确认您的电路是OK的,只需要确认传感器部分。
HI SWAGATAM,你如何修改这个电路,并添加一个机器人声音电路,这样当检测到一个障碍时,机器人声音就会被检测到
Hi Davis,通过将预录语音模块与电路的相关继电器集成,可以轻松实现这一点
谢谢,先生,我会试试这个电路的,非常感谢
当然,法耶兹,谢谢
先生,我可以用这个gsm电路做水泵组的单电机控制吗?请发送到电路先生
gsm电路?