这里讨论的4 LED温度指示电路对于获得关于要监视的温度状态的可视信息非常有用。
电路操作
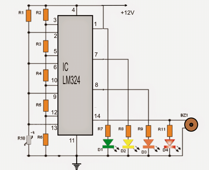
在电路的温度状态是用四个led显示的。
—绿色LED,表示温度处于理想状态
—带有两个黄色led,提示温度高于正常,不安全。
-红色LED警告状态告诉温度非常高,必须迅速采取行动。
为了补充高温红色LED警告,电路中包括蜂鸣器,蜂鸣器发出关于紧急情况的声音警告提示。
该电路是使用4个比较器在IC LM324内部.这是一个出色的芯片,它有四个运算放大器与741类型在一个封装在一起。
图的第一阶段显示了在R2、R3、R4、R5和R6电阻的帮助下形成的分压器网络。
这里的电压是固定的参考在2.4V, 4.8V, 7.2V, 9.6V。
每个电压都直接连接到作为比较器的运算放大器的非反相引脚(+)上
热敏电阻(R10)的上引线直接与opamp的所有倒相(-)端子连接。
如果所受温度变化,热敏电阻的上引脚处的电压也成比例变化。
这个感应响应电压与运放比较器的非反相端进行比较,响应较小的电压,相应地发送高电压比较器输出,激活相关LED。
随着温度的升高,热敏电阻的温度开始降低,依次照亮led。
当最下方的比较器被激活时,红色的LED灯并激活“蜂鸣器”,发出声音警报,如果设备需要保护,这可能被认为是至关重要的。
线路图
         
        如何选择电阻器
如果您希望改变LED开关范围跨越所需的输入检测范围,您可以根据您的要求调整参考电阻值,如下所述:
我们可以理解,LM324的4运算放大器被设置为比较器,其中非反相引脚3,5,10,12被固定到由电阻R2----R6确定的相应固定参考电平上。
4个运放的反相输入连接在一起,并与另一个由R1/热敏电阻组成的电阻分压器相连。通过电阻分压器结的电势随温度的变化而变化。
将运算放大器的反相输入端与非反相引脚3、5、10、12的相关参考电压水平进行比较。
当倒置管脚上的热敏电阻电位分压器高于相应的非倒置管脚参考电平时,特定运放的输出变得高,照亮其连接的LED。
这意味着通过适当地改变R2----R6的参考电阻值,我们可以改变LED照明之间的间隙,从而在4个LED之间适当地改变输入检测范围,按照所需的规格。
这可以通过以下公式来实现:
Vout = Vin x R1 / (R1 + R2)
Vin是电源电压,必须是恒定的。
Vout成为给定的非倒相引脚上所需的参考电平。
R1是相关非倒相引脚正端的电阻的总价值
R2是相关非倒相引脚接地端电阻的总价值。
IC LM324引脚图
         
        BOM为4 LED温度检测电路
电阻(1/4瓦5% CFR)
- R2 r3 r4 r5 r6 = 5k
 - R1 = 10 k,
 - R7, R8, R9, R11 = 220欧姆
 - led: 1个绿色,1个黄色,1个红色
 - 蜂鸣器没有= 1
 - IC LM324 - 1no
 - R10 = 10K热敏电阻(如下图所示)
 
         
        注意:对于热敏电阻器,必须保持足够长的端子,以便在温度有问题的地方可以进行端接。
提交人:Shweta sawant
从管理员处更新
通过在4个运放上增加离散预置,用LM35芯片替换热敏电阻,可以进一步提高上述4个LED温度指示电路的准确性和可靠性。完整电路如下图所示:
         
        零件清单
- 所有的预设都是22K(线性)
 - 所有的电阻都是1K 1/4瓦
 - ZD1是6V 1/4瓦齐纳二极管
 - led有红色,绿色,黄色,白色5mm 20mA
 - 运算放大器来自IC LM324
 - 温度传感器采用LM35芯片
 
          
亲爱的Swagatam,
NTC电阻器可以代替热敏电阻器吗?
问候,
亨瑞克
亲爱的亨瑞克,
我认为两者都是一样的,热敏电阻本身是一个温度依赖的电阻,是的,这是一个NTC热敏电阻
谢谢你!
4. bp.blogspot.com/-dv_lqroptha/vpabxrztxmi/aaaaaaaajnq/-xmdzckgrlq/s1600/temperarture%2bindicator.png
亲爱的先生,我想把一个3速风扇连接到这个电路上。而不是LED,它将控制风扇的速度。LED 1风扇关闭,LED 2风扇转速低,LED 3风扇转速中,LED 4风扇转速高。风扇电机由240V驱动,电路由12V驱动。这很容易做我的问题是如何连接这个速度控制的东西..我有一个3速度控制电机。这个电路如何控制风扇的开关
亲爱的先生,我想连接一个3速风扇以上线路由你张贴。而不是LED,它将控制风扇的速度。LED 1风扇关闭,LED 2风扇转速低,LED 3风扇转速中,LED 4风扇转速高。风扇电机由240V驱动,电路由12V驱动。这很容易做我的问题是如何连接这个速度控制的东西..我有一个3速度控制电机。这个电路如何控制风扇的开关
亲爱的Kissan,这是有可能的,但你需要包括一个PWM电路也在上面的检测器电路....只有这样,上面提到的应用程序才能工作。
这里没有电位器,所以我们如何确定参考电压??
R1可以用一个锅代替,用来改变参考值。
hi的值是R1,可以看到anywere的值
R1可以是10k的预设
你好Swagatam爵士
非常感谢你给我这张示意图。正如Kumar上面问的,我也想用原理图来控制一个220V交流风扇。你建议应该包括一个PWM电路。你能建议这样的PWM电路吗?它如何与上面的原理图一起使用?
谢谢。
你好,Godson,其实我误解了他的问题,似乎漏掉了问题中的3步切换。
然而,对于PWM,你可以尝试以下概念
//www.addme-blog.com/pwm-air-blower-controller-circuit-for/
在最左边你可以看到一个10k预置,你可以连接一个NTC与它的下臂串联热检测和风扇控制。
并确保BC547是使用两个bjt在达林顿形式。
你好Swagatam爵士
我能像你在下面的链接中张贴的那样连接这个电路吗?
//www.addme-blog.com/3-step-dc-voltage-level-monitor/
我想以这样一种方式连接它,我可以改变每个LED点亮或熄灭的个别温度水平。led将在条形模式下工作。我可以重新配置,让它在酒吧模式下工作。
对于链路中的电路,我是否可以用NTC替换zener二极管,用10k锅替换R2-R6(这次用4锅)?
如果我不能,请建议一种方式,以电线电路,使它可以像一个链接工作。
我真的很想用LM35来升级这个原理图,LM35是一个更精确的温度传感器。LM35和LM324可以连在一起吗?如果可能的话,请建议如何。
期待你一如既往的及时回应。
谢谢你!
嗨,教子,是的,这绝对有可能,你可以试试。
先生,
我需要一个太阳能加热电路,我可以在冬天温暖我的鸡舍。我想要电路设计来与恒温器,以便当温度达到37fh时开关,并在35fh时开关。谢谢
Kabiru,
对于恒温器,你可以尝试这个电路:
//www.addme-blog.com/2012/04/how-to-make-automatic-refreigerator.html
对于太阳能热水器,您可以购买任何合适的太阳能电池板匹配您的热水器规格。你只需要把它和太阳能电池板连接起来进行加热操作。
你好!
你能发一张完整电路的图片吗?我的朋友和我试图重建它,但有一些困难理解运算放大器和什么连接。
嗨,它是很久以前建的,所以我现在没有照片。不过,我已经更新了更多的细节。我希望这将帮助你更好地理解线路和部件。如果你有任何疑问,请告诉我。
你好,
我和我的实验伙伴在期末项目中使用这个电路,想知道万用表是如何在整个电路中发挥作用的?另外,你有可能一步一步地通过这条线路吗?最后,我们要做什么才能真正知道每个led代表的温度值?
谢谢你!
你好,我在文章中添加了另一个图表,它为每个运算放大器使用单独的预设。现在,每个预设都可以顺序设置,以指示所需的温度水平在4个led顺序。
先生您好,第一个电路是用继电器和选定的开关改装后的,可以用在恒温箱上吗?
是的,你能做到!
嗨,有没有可能让我看到上述电路的计算步骤
你好,我已经在文章中添加了所需的数据。