我们都熟悉暴风雨天气中的雷电,也知道雷电的影响是如何在大气中产生大量臭氧和负离子的。同样的概念已被采用在拟议的水和空气灭菌器回路。
臭氧的性质
臭氧是一种淡蓝色气体,具有刺激性(类似于氯),化学式为O3。在大气中,由于强紫外线的存在或雷电时的放电,可能会产生臭氧。
上述现象产生臭氧的基本原理是将大气中大量存在的二氧化氧分子(O2)击倒,产生O2→2O。
当2O在源周围碰撞产生的自由基形成O3或臭氧。只要光源(闪电弧、紫外线)保持存在,这个过程就会继续。
从本质上讲,臭氧是一种非常强的氧化剂,甚至比二氧化还强。臭氧的这种特性有助于杀死细菌、寄生虫和其他可能被认为是害虫的微生物,因此被用作消毒水和空气的消毒器。
然而,臭氧的强氧化性也可能对人类和动物有害,如果在不通风的前提下吸入较长时间,可能会导致呼吸问题。
上述讨论表明,臭氧实际上可以很容易地通过不受抑制的电弧或紫外线产生,并适当地用于水或空气的消毒。
实现不受抑制的火花电弧
在提出的设计中,我们加入了非抑制电弧方法,因为它更有效和易于实现。
产生人工电弧可以简单地通过使用升压电路拓扑,其中一个高频被倾倒到升压线圈产生所需的高电压。
合成电压在千伏可以强制电弧的接地端子接近高压端子从线圈。
这方面最好的例子是使用点火线圈作为kV发电机的CDI电路,它通常用于车辆中产生火花塞内的点火火花。
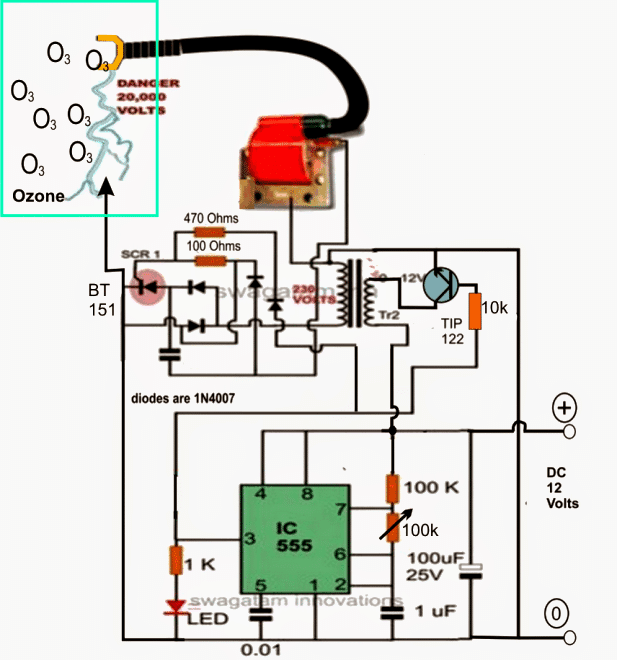
下图说明了如何使用CDI电路作为臭氧发生器消毒水、空气、食品等。
低555 IC电路用于触发TR2,这是一个普通的降压铁芯变压器。它的主电路在其额定电压下通过100k锅设定的频率振荡。
这导致了220V的感应或其他可能影响变压器二次高压绕组的额定值的因素。
使用电容放电电路
这种感应的220V馈电给下面的CDI或由可控硅和点火线圈作为主要部件的电容放电点火阶段。
SCR连同高压电容器和相关二极管在给定的频率点火迫使105/400V电容器快速充电/放电,倾销存储的220V以相同的速率进入点火线圈初级。
其结果是在点火线圈的二次高压输出产生约20,000伏电压。
这个输出适当地终止在靠近来自电源负极的另一个终端。
一旦上述设置被配置,电弧立即开始引起臭氧周围的火花区产生。
由于在此前提下,臭氧的过量产生可能对生物有害,因此电路可以通过a触发可编程定时器这样,它只在预定的一段时间内保持打开状态,一旦设定的时间过去,它就会自动关闭。
这将确保在此前提下产生的臭氧量是安全的。
电弧可以被引入到任何可以放置预期材料或配料的房间内,并通过产生的臭氧气体启动灭菌操作。
线路图
零件清单
- 电阻
- 100k 1/4 w - 1
- 10k 1/4 w - 1
- 1k /4 w - 1
- 470欧姆1/2 w - 1
- 100欧姆1/2 w - 1
- 电容器
- 1uF/25V电解- 1
- 100uF/25V电解- 1
- 10nF陶瓷盘
- 105/400v PPC - 1
- 半导体
- 1 n4007 - 4号
- IC 555 - 1
- TIP122晶体管- 1
- SCR bt151 - 1
- 红色LED 5mm 20mA - 1
- 杂项
- 变压器12-0-12v/1安培/220V -1
- 点火线圈2轮- 1
先生,我有个关于运算放大器的问题。我的问题是:如果运放的供电电压为9v,假设增益是正确定义的,你能在输出产生大于9v的电压吗?简单地说,你能从5v输入输出到12v电压供电的运放中产生15v电压吗?如果是,输出电流是否大?
不,那是不可能的。
亲爱的Swagatam,
这个电路可以在低频(50hz和2000hz之间)给高电压?
谢谢你!
亲爱的维克多,
是的,它必须在较低的频率,较高的频率将加热点火线圈…
谢谢您的快速回复,
在二极管附近的电容器的容量是多少?
对于230v的变压器,推荐的安培数是多少?
我会试试看,然后告诉你,谢谢
电容器为105/400V或1uF/400V金属化聚酯型。
变压器可以是0-12V/1安培
亲爱的Swagatam,
2个问题更抱歉…
所有的变压器(购买)都是AC/AC的,对吗?
230伏特的变压器应该是多少伏特?喜欢230伏吗?
谢谢你!
亲爱的维克多,
TR2是普通降压变压器,额定电压:0-12V/1amp/220V
红色的可以是任何标准的汽车点火线圈…
日安,swagatam !我有一个问题,我应该如何使用它来消毒水?我应该把输出直接放到水中吗?感谢。
谢谢瑞恩,只要把高压线的一端通过针的安排靠近地线,这样这些保持1英寸的距离或在一个距离,电弧或火花只是开始和持续。
该电弧端子可永久封闭在水箱内以执行杀菌动作,该水可通过电机螺旋桨机构保持循环运动,以使其能够与容器内产生的臭氧大气有效接触
谢谢Swagatam !我还有一个问题,可以把详细的原理图的链接发给我吗?我在你的网站上找不到。谢谢!
Ryan,详细的原理图已经在上面的文章中显示,请点击放大。
先生,30克臭氧发生器的电路用的集成电路是什么
你好Swagatam。
不错的项目,我需要你的帮助,让它更强大。
比如CDI产生20kv的电压。它是如何产生50kv电压的。
你能给我指路吗?
感谢和问候。
Taibani伊姆兰。
你好,Imran,我认为你可以尝试用汽车点火线圈替换所示的摩托车点火线圈,看看区别,因为汽车点火线圈将比摩托车线圈更强大,产生更强的脉冲。
你好Swagatam,
非常感谢您抽出宝贵的时间回答我们的问题。
还需要一个帮助,请您设计负离子发生器的电路,输入应该直流而不是交流。
感谢和问候。
Taibani伊姆兰。
你好,Imran,我有一个电路,它会产生负离子,但电流很低,链接如下:
//www.addme-blog.com/2012/08/make-room-air-ionizer-circuit-get.html
这样的电路一般不会与直流工作,直流将首先需要转换成交流,然后应用到电路,如图所示
//www.addme-blog.com/2013/05/make-this-car-air-ionizer-circuit.html
https://imgur.com/zG0a00s
亲爱的先生,我正在做一个空气消毒臭氧发射器,蔬菜,我似乎有一个臭氧发生器的电路,如附件的图片,但我不知道这个电路使用的是哪个IC。我怀疑它是NE555 IC,正如你上面所显示的电路,但不幸的是它不是。
你能告诉我是什么IC名字吗?我只知道它的3个pin信息,请帮助我。
谢谢你!
我的电路看起来像这个产品:https://www.greentechenv.com/purifiers/index.php/products/pure-air/pureair-fridge.html
嗨田中,
对不起,我无法识别IC,是的,它肯定不是IC 555。
然而,如果你想制造一个更小版本的臭氧净化器,你可以很容易地通过修改蚊蝠电路来做到这一点。你可以集成一个外部脉冲电路来产生1秒或2秒的电弧,这将足以产生所需数量的冰箱内臭氧。
谢谢先生,
我将尝试实施它,并分享结果,但首先我也想了解臭氧的产生。你有关于它或你的产品的文件吗,可以分享给我吗?
确定短歌。实际上,臭氧可以简单地通过制造高压电弧来产生。电闪雷鸣、电焊火花、蚊子蝙蝠火花这些都能有效地产生臭氧。我已经在上面的文章中解释了它,你可以在这里阅读更多关于它的内容:
https://en.wikipedia.org/wiki/Ozone
https://imgur.com/pHehuVT
关于我问你的电路,我发现它只有一个30分钟的定时器功能,给臭氧发生器室供电然后关闭,臭氧的产生是在一个可用的发生器室进行的,而且电路还有额外的防插电警告功能。相反。我猜这是个IC定时器,你知道吗?
识别特定的IC可能很难,但你可以使用IC 4060制作和定制一个不同的30分钟定时器,如下所示:
//www.addme-blog.com/simple-adjustable-industrial-timer/
非常感谢,我会做的,如果有结果,我会在这里分享。
欢迎你! !
我听说有人把微波炉改成电焊机。旧的微波炉可以用来制造臭氧消毒装置吗?如果可以,你能告诉我怎么做吗?也许是youtube视频,甚至是这里。
是的,这是可能的,但是我现在还没有设计的细节。也许在线搜索可以帮助你快速获得详细信息
看到输出是20kV。它会浸入水中吗?
用它来洗蔬菜等等?
对不起,我对离子和臭氧是新的
实际上,我正在寻找一种电路,以电离水,并嵌入到一个即食热水器。假设负水可以在进出(离子化)水的简单过程中中和病毒
20kv不会浸入水中,只有频闪灯的光必须通过水。
你好,你能告诉我关于电容器的情况吗?它的速率是多少uF或nF ?
非常感谢
可控硅下的电容器是105/400V或1uF/400V PPC
嗨Swagatam,
仅供参考。一个开弧可以产生超过2500°F的热量,从而在过程中形成硝酸盐。
降低高电压(低于2500华氏度)以产生更冷的等离子体将产生臭氧,而不会产生讨厌的硝酸盐。
设置两个平行的板(一个用于地面,一个用于高压),并调整高压,直到你看到它们之间的暗蓝色辉光(没有电弧),将产生大量的臭氧,而不形成硝酸盐。
干杯!
谢谢迈克的建议!这也许可以通过将输入12V降低到一些合适的较低值来实现。
你好,
当它浸入水中,因为高压是@ 20kv,如果我们接触水,它不会产生任何电击吗?
嗨,这东西不能泡在水里。火花应该被允许在容器上部干燥区域的某处工作,它必须慢慢地装满水,以便流动的水最大限度地暴露在容器内产生的臭氧中。
谢谢你!
03电路。