该帖子介绍了一个简单而准确的可编程柴油发电机组定时器电路,可用于实现对连接的柴油发电机组离散可编程的开/关时序。这个想法是拉吉·库马尔·穆克吉提出的。
技术规格
新年快乐,希望你身体健康。我的一个朋友要求设计一个可变可编程定时器来运行柴油发电机组。
根据预先设定的时间,它应该工作如下:a. DG设定会显示早上7点开始,10安培停止。它将再次在下午2点开始,在下午5点停止。
下午7点开始,8点半结束。根据需要,可能还会有更多这样的采样。
有没有可能设计这样的定时器保持成本在2000/-和定时器应该运行12伏。实际上,需要一个低成本但准确的可编程定时器,将能够打开和关闭柴油发电机组,而无需人工干预的帮助下,通过这个定时器。
我从朋友那里得到的关于DG机组的输入是,它有一个启动开关和一个停止开关。
因此,在每个启动和停止开关下面有2个终端插座,以连接一个可编程定时器,它将执行自动开-关操作。
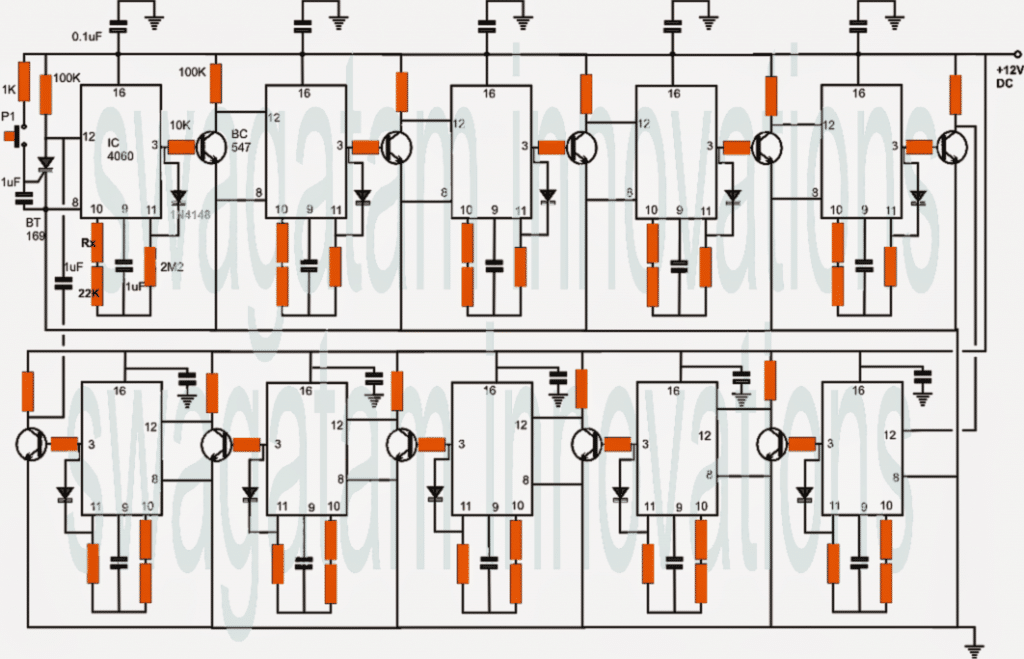
因此,我们必须将定时器设计成这样一种方式,使启动和停止信号驱动每个ic (IC1到IC6,请参阅附件)输出的单稳态多谐振荡器来模拟按键功能。
如果我们希望在计时器电路中包含更多的on - off阶段,我将请求您在这方面提供特别的帮助,向我解释级联是如何完成的。
它应该是一种短暂的on - off操作(对两个电机/继电器的时间可能是5-10秒每个)。
这个过程类似于现代自行车的启动方式(启动开关为PUSH型,当开关保持按下5-10秒时就会接触,一旦自行车启动,开关就会释放)。
设计
提出的可编程柴油发电机定时器电路的灵感来自我以前的一个电路标题自动可编程学校定时器电路,整个设计的解释可以在里面理解。
唯一的区别是在输出触发阶段,这里它包含了从备用4060阶段触发的几个继电器,如下所述:

继电器驱动电路
以下电路是为实现继电器激活而设计的。这个阶段可以添加到所有上述4060定时器阶段的引脚#3。
所有alternate级的PNP晶体管的集电极应该被共用,这样在alternate ON/OFF触发时只涉及两个继电器。
例如如果使用4060集成电路数量的阶段,相关的晶体管驱动stage1, 3, 5, 7, 9应该的PNP晶体管收藏家一起引发附加的“开始”继电器,而stage2 PNP收藏家,4,6,8 10可以连接在一起引发附加的“关闭”继电器
你好,亲爱的,你能不能给我发送你使用的PCB设计软件PLLLLLLZ,亲爱的,我有演示版本,我想要完整的版本,我的邮箱。naumannaeem29@gmail.com问候
完整的版本已经在上面解释过了,你可以阅读并评估。
我使用corelDraw软件绘制图表。
您好,您认为可控硅是有效的交流开关吗?