A water level indicator is an electronic circuit which indicates the various levels of water inside a tank. This happens when rising or dropping water levels come in contact with […]
Blog
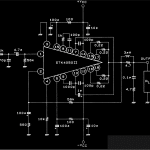
Make This Powerful 200+200 watts Car Stereo Amplifier Circuit
No complex wiring, no costly MOSFETS and no cumbersome heatsinks, yet a powerful 200+200 watt stereo amplifier circuit, which can be built within hours using just a couple ICs, right […]
2 watt Amplifier Circuit
A very simple 2 watt audio amplifier circuit has been presented here which can be constructed by all new electronic hobbyists for amplifying small signal frequencies and for other similar […]
Astable Multivibrator Circuit Using NAND Gates
An astable multivibrator is referred to an electronic configuration which is able to generate continuous alternate high and low pulses from a couple of outputs, operating in tandem. Why IC […]
2 Best Long Duration Timer Circuits Explained
In this post we learn how to make 2 accurate long duration timer circuits ranging from 4 hours to 40 hours, which can be upgraded further for getting even longer […]
Add this Short Circuit Protection to Your Power Supply
A rather cheap yet reasonably effective short circuit protection circuit is explained below which can be used for safeguarding power supply circuit Introduction A power supply unit is an indispensable […]




