如果您是汽车技术人员,车型技术员或汽车机械师,您可能会发现这款便宜但功能强大的汽车充电器电路非常方便,因为它可以使用[...]
3智能锂离子电池用TP4056,IC LP2951,IC LM3622充电器
这些智能,智能电池充电器将通过监测3个关键参数快速充电LI离子电池,该参数是恒流,恒定电压和恒定的25摄氏度温度。帖子[...]
多电池充电器电路使用倾卸电容
在本文中,我们将尝试使用倾倒电容器概念构建自动电池充电器电路,用于自动检测和为多组电池充电。这个想法是[...]
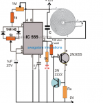
基于定时器的手机充电器电路
具有定时器电路的简单手机充电器在下面的文章中提出,可用于为给定的移动电话充电,以获得指定的预定长度[...]
高电流无线电池充电器电路
在本文中,我们了解如何使用无线电力传输概念设计和制作自己定制的高电流无线电池充电器电路。在我的许多人中介绍了
使用固定电阻的电池充电器电路
这种通用的自动电池充电器电路非常多功能,其功能可适用于所有类型的电池充电,甚至适用于太阳能电荷控制器。普遍的 […]