In this post we learn how to design audio filter circuits such as high pass filter and low pass filter circuits effortlessly without going through the hassles of complex simulation […]
Notch Filter Circuits with Design Details
In this article we go through a detailed discussion regarding how to design notch filters with precise center frequency and for maximum impact. Where Notch Filter are Used Notch filter […]
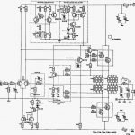
60W, 120W, 170W, 300W Power Amplifier Circuit
The post presents an in-depth discussion regarding the construction details of a universal high power amplifier which can be modified or adjusted to suit any range within 60 watt, 120 […]
Arduino Musical Tune Generator Circuit
You can use this little Arduino musical tune generator circuit for a preferred application, such as for making an interesting door bell, as a car reverse horn, or music box […]
Subwoofer Music Level Indicator Circuit
The post discusses a LED music power level indicator for indicating a subwoofer bass power range, which can be also modified as an effective dancing Electroluminescent Wire light show. The […]
如何让狗叫防喷器电路使用你好吗gh Frequency Deterance
The discussed circuit is designed to discourage dogs from barking in the selected zone by the generation of a synchronized ultrasonic sound waves in response to a few initial barking […]





